service@liaoningqingyuan.com

Facebook
Twitter
Google+
LinkedIn
Pinterest

江南在线
江南在线
  • 网站首页
  • 公司简介
  • 产品中心
    • 缓冲器
      • 江南在线
      • 江南在线(中国)
      • 复合缓冲器
      • 聚氨酯缓冲器
      • 弹簧缓冲器
      • 橡胶缓冲器
      • 液气缓冲器
      • 气混江南在线(中国)
    • 橡胶护舷
      • 超级鼓型橡胶护舷
      • 超级锥型橡胶护舷
      • 超级拱形橡胶护舷
      • 圆筒形橡胶护舷
      • D型橡胶护舷
      • 充气橡胶护舷
      • 漂浮型护舷
      • 拖轮橡胶护舷
      • 方型橡胶护舷
      • GD型橡胶护舷
      • ME型橡胶护舷
      • W型护舷
      • 转动护舷
      • 橡胶梯
    • 防冲板
    • 系船柱
      • 单柱式系船柱
      • T型系船柱
    • 相关配件
  • 项目案例
    • 项目案例
  • 新闻中心
  • 下载中心
  • 江南在线(中国)
  • English

超级锥型橡胶护舷配件

网站首页 产品中心 相关配件 超级锥型橡胶护舷配件
超级锥型橡胶护舷配件
超级锥型橡胶护舷配件

超级锥型橡胶护舷配件

  • 产品编号:Fendersys-CT-1
  • 立刻联系

    详细介绍

    预埋件(连接护舷与码头)

    1.新建码头预埋件

    锥型护舷预埋件.jpg

    规格型号

    螺栓

    预埋螺母,地角板,地脚杆

    垫片

    D

    H

    J

    S

    e

    a

    b

    L

    T

    G

    m

    N

    n

    P

    Q

    U

    R

    V

    CT600

    24

    15

    65

    55

    36

    65

    100

    300

    10

    70

    65

    19

    85

    33

    47

    5

    15

    28

    CT700

    30

    19

    85

    70

    42

    75

    120

    360

    10

    80

    75

    19

    95

    37

    53

    5

    15

    34

    CT800

    36

    23

    90

    75

    44

    85

    125

    440

    12

    90

    85

    24

    106

    40

    60

    6

    15

    40

    CT900

    36

    23

    90

    75

    44

    85

    125

    440

    12

    90

    90

    28

    115

    40

    69

    6

    25

    40

    CT1000

    42

    26

    100

    80

    60

    85

    130

    500

    12

    100

    95

    28

    126

    43

    77

    6

    25

    46

    CT1100

    42

    26

    100

    80

    60

    85

    130

    500

    12

    100

    95

    28

    134

    43

    85

    6

    25

    46

    CT1200

    42

    26

    110

    80

    60

    95

    140

    500

    12

    110

    105

    31

    144

    46

    92

    6

    30

    46

    CT1300

    48

    30

    120

    95

    65

    100

    150

    570

    12

    115

    115

    31

    158

    52

    100

    6

    30

    52

    2.维修码头

    锥形护舷维修码头连接件.jpg

    规格型号

    MD

    螺母

                垫片

    数值螺栓

    H

    m

    N

    n

    P

    U

    V

    R

    a

    L

    A

    CT600

    M24

    22

    65

    20

    80

    28

    5

    28

    15

    55

    280

    30

    CT700

    M30

    26

    80

    20

    93

    33

    5

    34

    15

    65

    360

    38

    CT800

    M30

    26

    85

    24

    102

    35

    5

    34

    15

    70

    360

    38

    CT900

    M30

    26

    90

    24

    111

    35

    6

    34

    15

    75

    360

    38

    CT1000

    M36

    30

    100

    26

    126

    43

    6

    40

    25

    90

    440

    46

    CT1100

    M42

    34

    100

    26

    134

    43

    6

    46

    25

    95

    510

    55

    CT1200

    M42

    34

    105

    31

    144

    43

    8

    46

    25

    105

    510

    55

    CT1300

    M48

    38

    115

    31

    158

    50

    8

    52

    30

    115

    600

    60

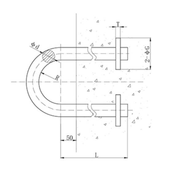
    U型环

    锥形护舷U型环.jpg

    规格型号

    d

    R

    L

    T

    G

    CT600

    55

    90

    730

    20~30

    120

    CT700

    55

    90

    730

    20~30

    120

    CT800

    55

    90

    730

    20~30

    120

    CT900

    60

    100

    780

    25~35

    140

    CT1000

    60

    100

    780

    25~35

    140

    CT1100

    60

    100

    780

    25~35

    140

    CT1200

    65

    105

    830

    25~35

    150

    CT1300

    65

    105

    830

    25~35

    150

    链条

    锥型护舷链条.jpg

    规格型号

    卸扣

    链环

    螺旋扣

    CT600

    M25

    Ø25

    M36

    CT700

    M32

    Ø28

    M39

    CT800

    Ø32

    M42

    CT900

    M36

    Ø34

    M45

    CT1000

    M38

    Ø36

    M48

    CT1100

    CT1200

    M42

    Ø40

    M56

    CT1300

    弹簧链

    锥型护舷弹簧链.jpg

    规格型号

    卸扣

    链环

    链环框架

    螺旋扣

    CT600

    M22

    Φ20

    M30

    M30

    CT700

    M25

    Φ25

    M30

    M36

    CT800

    M32

    Φ28

    M36

    M39

    CT900

    M32

    Φ32

    M42

    CT1000

    M30

    Φ30

    M42

    M45

    CT1100

    M30

    Φ30

    M42

    M48

    CT1200

    M34

    Φ34

    M48

    M56

    CT1300

    M36

    Φ36

    M48

    M56















    江南在线(中国)





    相关产品

    圆筒形橡胶护舷配件

    圆筒形橡胶护舷配件

    超级拱形橡胶护舷配件

    超级拱形橡胶护舷配件

    超级锥型橡胶护舷配件

    超级锥型橡胶护舷配件

    产品分类

    • 缓冲器
      • 江南在线
      • 江南在线(中国)
      • 复合缓冲器
      • 聚氨酯缓冲器
      • 弹簧缓冲器
      • 橡胶缓冲器
      • 液气缓冲器
      • 气混江南在线(中国)
    • 橡胶护舷
      • 超级鼓型橡胶护舷
      • 超级锥型橡胶护舷
      • 超级拱形橡胶护舷
      • 圆筒形橡胶护舷
      • D型橡胶护舷
      • 充气橡胶护舷
      • 漂浮型护舷
      • 拖轮橡胶护舷
      • 方型橡胶护舷
      • GD型橡胶护舷
      • ME型橡胶护舷
      • W型护舷
      • 转动护舷
      • 橡胶梯
    • 防冲板
    • 系船柱
      • 单柱式系船柱
      • T型系船柱
    • 相关配件

    最新动态

    • 使用橡胶护舷的优势
      3/24
    • 橡胶护舷运用行业
      3/11
    • 缓冲器的使用运行
      2/19

    订阅我们

    欢迎订阅我们的电子邮件通讯,获取我们的最新产品和新闻信息!

    江南在线(中国)

     

     024-54077398

     +86 189 6952 1763

    service@liaoningqingyuan.com

     fendersys@hotmail.com

     辽宁抚顺大柳工业园区

    微信二维码

    Deutsch Espanol Francais Italiano Portugues Japanese Korean Arabic Russian

    版权所有:江南在线 备案号:辽ICP备2020011507号

    立刻联系!
    立刻联系!





    江南注册大厅_江南(中国) | 开云线上官网 | 华体会平台 | 华体会网页版登录入口 | 球友会网站登录入口 | ATY.COM | QSTY.COM | 球速·体育 | 米兰网_米兰(中国) |